文库 服务类 设计

某老旧小区改造设计方案113页

小区 改造 设计 DOCX   113页   下载24   2024-10-11   浏览91241   收藏23   点赞15   评分-   57660字   10.00
温馨提示:当前文档最多只能预览 10 页,若文档总页数超出了 10 页,请下载原文档以浏览全部内容。
某老旧小区改造设计方案113页 第1页
某老旧小区改造设计方案113页 第2页
某老旧小区改造设计方案113页 第3页
某老旧小区改造设计方案113页 第4页
某老旧小区改造设计方案113页 第5页
某老旧小区改造设计方案113页 第6页
某老旧小区改造设计方案113页 第7页
某老旧小区改造设计方案113页 第8页
某老旧小区改造设计方案113页 第9页
某老旧小区改造设计方案113页 第10页
剩余103页未读, 下载浏览全部
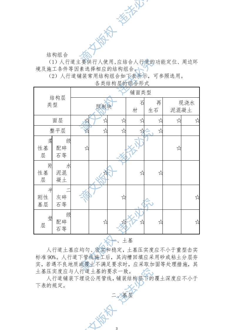
目录 第一部分、设计说明 1 工程概况 1 (一)道路工程设计 1 一、土基 3 二、基层 3 三、整平层 4 四、路缘石、界石及树池 6 五、挡车柱 7 六、基层 7 七、整平层 7 (二) 交通工程设计说明书 10 一、 本次设计采用的规范和标准 10 二、 设计原则 11 三、 技术要求 12 设计原则: 15 版面设计 16 标志 16 技术要求 16 (三)亮化工程设计 19 一、 总体设计 19 (四)排水管网工程设计 21 一、 设计说明书 21 工程任务及设计范围 21 设计原始资料 22 (五)燃气工程设计 35 一、 设计目的 35 二、 原始资料 36 (六)电气设计 41 一、电缆结构设计与物料用量计算 41 二、导体部分有关设计与计算: 41 三、导体绞合节距设计: 41 四、制线规对应截面积及绞线节距 41 五、多根绞合导体外径计算: 42 (七)挡土墙设计 72 一、 重力式挡土墙设计 73 二、抗滑稳定性验算: 76 墙身自重力臂计算: 76 抗倾覆稳定性验算 76 (八)老年活动中心设计 77 一、 初步设计文件深化要求 77 二、 各分项设计优化方案 79 建筑设计 79 结构设计 80 电气设计 82 给水排水设计 85 通风与空气调 设计 87 绿色建筑设计 88 绿化设计 89 节能环保 90 第二部分、项目优化设计 91 (一) 设计进度保证 91 (二)设计 管理组织概述 91 ( 三 )组建最佳管理项目组 91 ( 四 ) 设计 管理体系 92 ( 五 ) 设计 控制的方法 93 ( 六 ) 优化 控制的措施 93 (七) 关键环节的管理 94 (八) 项目 优化 分阶段管理 94 (九) 设计工作安排 94 ( 十 )选择专业的人员组织 95 ( 十一 )制定设计进度计划 95 ( 十二 )保证设计进度措施 96 ( 十三 )设计服务周期 97 (十四) 跟踪服务承诺 97 (十五) 基本服务承诺 98 ( 十六 )设计质量的跟踪配合措施 98 ( 十七 )设计服务周期的跟踪配合措施 99 ( 十八 )设计编制过程中服务的承诺 99 (十九) 分阶段服务承诺 100 (二十) 服务时间承诺 101 (二十一) 现场配合服务 102 (二十二) 与业主的配合承诺 102 (二十三) 设计服务承诺书 103 (二十四)整体规划布局 103 设计文件一般原则 103 设计任务: 104 第一部分、设计说明 工程概况 项目基本情况:XX市场XX小区拟改造小区内水、电、气分户计量 292 户。主要包括改造供水管道 510 米、供电管道 510 米、供气管道 510 米、雨污管道 900 米、道路 1000 平方米、照明设施 30 盏、环卫设备 10 台、管线入地 510 米、消防设施 10 台、安防设备 10 台、小区外连接雨污主管网 1
某老旧小区改造设计方案113页
下载提示

任何单位或个人认为通过本站提供的信息和服务可能涉嫌侵犯他人合法权益,应该及时书面反馈,并提供身份证明、权属证明及详细侵权情况证明,本站在收到上述法律文件后,将会尽快移除被控侵权内容。

因本站服务引起的或与本站有关的任何争议,各方应友好协商解决;协商不成的,任何一方均可将有关争议提交至本站所属地仲裁委员会并按照其届时有效的仲裁规则仲裁;仲裁裁决是终局的,对各方均有约束力。